

Wohnungsbaugenossenschaft Weißenfels/Saale eG
Herr Daniel Lenders
034 ···
Nr. anzeigenPreise & Kosten
nicht in Nebenkosten enthalten
Kaution
485
Warum sehe ich diese Anzeige? – Du siehst diese Anzeige basierend auf Ihrer Navigation auf unserer Website und den Suchkriterien, die du verwendet hast.
Lage
Bushaltestelle, Einkaufsmöglichkeiten, KiTa, Apotheke, alles in der Nähe. Sehr schöne, ruhige Wohngegend.
Die Wohnung
Kategorie
Maisonette
Wohnungslage
Erdgeschoss
Bezug
01.07.2026
Wohnanlage
Energie & Heizung
Warum sehe ich diese Anzeige? – Du siehst diese Anzeige basierend auf Ihrer Navigation auf unserer Website und den Suchkriterien, die du verwendet hast.
Energieausweistyp
Verbrauchsausweis
Gebäudetyp
Wohngebäude
Baujahr laut Energieausweis
1928
Wesentliche Energieträger
Erdgas
Gültigkeit
06.06.2018 bis 06.06.2028
Effizienzklasse
C
Endenergieverbrauch
79,45 kWh/(m²·a)
Weitere Energiedaten
Energieträger
Gas
Heizungsart
Zentralheizung
Details
Objektbeschreibung
Ansprechpartner: Daniel Lenders / 0172 - 422 49 58
Besichtigungen ab ca. März/April. Bilder folgen.
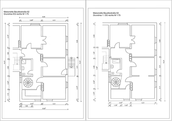
Diese außergewöhnlich großzügige 7-Zimmer-Wohnung mit ca. 200 m² Wohnfläche bietet ideale Voraussetzungen für Familien, die viel Platz und ein besonderes Wohnambiente suchen.
Die Wohnung erstreckt sich über...
Ausstattung
Highlights auf einen Blick:
ca. 200 m² Wohnfläche
7 Zimmer
Erdgeschoss & 1. Obergeschoss
Exklusiver, separater Eingang
Stilvolle Wendeltreppe
2 Tageslichtbäder mit Wanne oder Dusche
Viel Platz zum Wohlfühlen für die ganze Familie
Dokumente
Anbieter der Immobilie
Wohnungsbaugenossenschaft Weißenfels/Saale eG
Beuditzstraße 50, 06667 Weißenfels

Online-ID: 2nbmh54
Referenznummer: 1881
Finde Angebote wie dieses
Hier geht es zu unserem Impressum, den Allgemeinen Geschäftsbedingungen, den Hinweisen zum Datenschutz und nutzungsbasierter Online-Werbung.